最新資訊
contact us
聯系我們

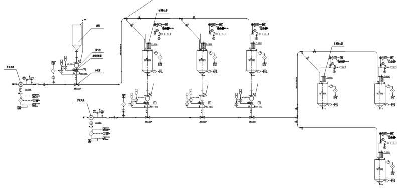
生物質鍋爐除塵中山東氣力輸灰廠家哪家好?
- 編輯 : 時間 : 2018-05-28 17:49 瀏覽量 : 967
相關新聞
- 豐暉環保助力杭聯熱電石灰石脫硫改造項目順利完成 05-28
- 氣力輸送系統特點有哪些? 01-22
- 羅茨風機組成部分有哪些? 01-15
- 氣力輸送羅茨鼓風機的運行調節方式通常有以下幾種 01-08
- 氣力輸送羅茨鼓風機優點有哪些? 01-02
- 三葉羅茨鼓風機在食品加工過程中的作用有哪些? 12-25
- 三葉羅茨鼓風機在煤礦行業中的應用 12-19
- 羅茨鼓風機在氣力輸送行業中的典型應用 12-19
- 發貨現場 |豐暉環保又一車滿滿當當的輸送設備發貨啦! 11-23
- 氣力輸送機有哪些作用? 11-22